ESPboy is a completely open-source, portable, modular, hackable gadget you can build yourself for 12$ in 1 hour or buy assembled to use as a retro game console or as an IoT platform for STEM education and fun.
It's Open Source Hardware Association certified
With built-in WiFi, you'll be able to upload firmware/apps directly from the ESPboy AppStore, communicate with people and connect to web services.
It's a fantastic experience to assemble the ESPboy yourself or together with your child. Make your own games and apps, share them with the community online. You can make any fully functional gadget in a minute with additional modules, play with it, understand the way of work, modify it and create the unique new one!
It's about fun engineering education and creativity through limitations
ESPboy is compatible with the Arduino, Micropython and other IDEs and ecosystems for making games and applications. ESPboy has CHIP8/SCHIP and ZX Spectrum 48k emulators, supports Little game engine (LGE) and ESPiCo game engine.
There is an extension header for easy connection of sensors, actuators, and original ESPboy modules (LORA messenger, FM radio, MP3 player, weather station, GPS navigator, GSM phone and others with corresponding ESPboy software).
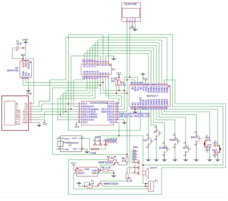
Size 30х70mm, ESP8266 80/160Mhz, 4/16Mb, WiFi, color LCD 128x128 or b/w OLED 128x64, neopixel RGB led, HQ speaker, 8 buttons, extension header (i2c, SPI, UART, i2s...)
**Support ESPboy project development and its promotion on the market **
**or buy ESPboy at www.Tindie.com **
Best regards, RomanS
Saint-Petersburg, 2020
| Qty | Value | Device | Package | Parts | Description | MF | MPN | Aliexpress or Ebay link |
|---|---|---|---|---|---|---|---|---|
| 1 | Bred board | https://aliexpress.ru/wholesale?catId=0&initiative_id=SB_20200108001821&SearchText=bread+board+830 | ||||||
| 1 | Bread board power supply 3.3v | https://aliexpress.ru/wholesale?catId=0&initiative_id=SB_20200108002725&SearchText=bread+board+power+supply+3.3v | ||||||
| 1 | WeMos D1 mini board with ESP8266 microcontroller | https://aliexpress.ru/item/32529101036.html?spm=a2g0o.productlist.0.0.679c2feeXN9i8T&algo_pvid=435ecd94-e83b-4cb3-94c9-a17f4ffc6015&algo_expid=435ecd94-e83b-4cb3-94c9-a17f4ffc6015-12&btsid=92878b76-8f30-40c0-bdd9-b43c2f2d059e&ws_ab_test=searchweb0_0,searchweb201602_10,searchweb201603_53 | ||||||
| 1 | TFT 1,44'' ST7735 128x128 | https://ru.aliexpress.com/item/32880714788.html?spm=a2g0o.cart.0.0.44173c00xXOjcN&mp=1 | ||||||
| 1 | MCP23017 DIP GPIO extender | https://aliexpress.ru/wholesale?catId=0&initiative_id=SB_20200108021104&origin=y&SearchText=mcp23017+dip | ||||||
| 6 | 6 buttons 6x6 (there are 8, but minimal 6 is enough) | https://aliexpress.ru/wholesale?catId=0&initiative_id=SB_20200108003734&SearchText=buttons+6x6 | ||||||
| 1 | Buzzer | https://aliexpress.ru/wholesale?catId=0&initiative_id=SB_20200108002149&SearchText=arduino+buzzer | ||||||
| 2 | Resistor 4,7 kOhm | https://aliexpress.ru/wholesale?catId=0&initiative_id=SB_20200108002234&SearchText=resistor+4%2C7kOhm |
| Name | Size | # Downloads |
|---|---|---|
| How-to-order-PCB.txt | 79 B | 657 |
| Gerber_TopSolderMaskLayer.GTS | 7.75 kB | 733 |
| Gerber_TopSilkLayer.GTO | 31.8 kB | 1942 |
| Gerber_Drill_NPTH.DRL | 308 B | 1951 |
| Gerber_TopPasteMaskLayer.GTP | 3.48 kB | 660 |
| Gerber_TopLayer.GTL | 12.2 kB | 1966 |
| Gerber_Drill_PTH.DRL | 2.3 kB | 694 |
| Gerber_BottomSolderMaskLayer.GBS | 5.4 kB | 676 |
| Gerber_BottomPasteMaskLayer.GBP | 3.13 kB | 1475 |
| Gerber_BottomLayer.GBL | 10.62 kB | 702 |
| Gerber_BottomSilkLayer.GBO | 91.89 kB | 725 |
| Gerber_BoardOutline.GKO | 725 B | 676 |