1.Specifications

2.MCU
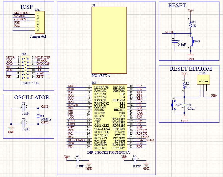
In Circuit Serial Programming (ICSP) is connected to MCU via 7-Position Side Switches to isolate computer and circuit when It operates.
You can reset board by using reset button. A interruption is created when you push the SW4 button. This event can be used to reset EEPROM or interruptive function in your project.
PIC16F877A is installed on 40-position socket. This socket helps installation and uninstallation the ICs faster.

3.Communications
The PIC16F877A MCU supports the serveral serial communicationas including UART (Universal Asynchronous Receiver-Transmitter), SPI (Serial Peripheral Interface), I2C (Inter-Integrated Circuit).
4.IO and Accessories

5.Power
6.3D model
Some images are about this board you can see at https://youtu.be/aaZc0JWyBq4
You can buy the design at My Website
Thank you for your time!
| No | Name | Designator | Description | Part Number | Manufacturer | Quantity | Recommendation |
|---|---|---|---|---|---|---|---|
| 1 | 22pF | C1, C2 | 22pF ±10% 25V Ceramic Capacitor C0G, NP0 0805 (2012 Metric) | C0805C220K3GACTU | KEMET | 2 | https://amzn.to/39JIUhF |
| 2 | 0.1uF | C3, C4, C5, C6 | 0.1uF 50V | C0805C104K5RACTU | KEMET | 4 | https://amzn.to/3aUmz24 |
| 3 | Jumper 6x1 | CN1, CN2, CN6 | 6 Positions Header, Breakaway Connector 0.100" (2.54mm) Through Hole Gold | PRPC040SFAN-RC | Sullins | 3 | https://amzn.to/2JCTQ6j |
| 4 | Jumper 4x1 | CN3 | 4 Positions Header, Breakaway Connector 0.100" (2.54mm) Through Hole Gold | PRPC040SFAN-RC | Sullins | 1 | https://amzn.to/2JCTQ6j |
| 5 | Jumper 4x2 | CN4 | 8 Positions Header, Breakaway Connector 0.100" (2.54mm) Through Hole Gold | PREC004DAAN-RC | Sullins | 1 | https://amzn.to/39LRxZg |
| 6 | Jumper 8x1 | CN5 | 8 Positions Header, Breakaway Connector 0.100" (2.54mm) Through Hole Gold | PRPC040SFAN-RC | Sullins | 1 | https://amzn.to/2JCTQ6j |
| 7 | Jumper 3x2 | CN7 | 6 Positions Header, Breakaway Connector 0.100" (2.54mm) Through Hole Gold | 67996-406HLF | Amphenol ICC | 1 | https://amzn.to/39LRxZg |
| 8 | Jumper 10x1 | CN8 | 10 Positions Header, Breakaway Connector 0.100" (2.54mm) Through Hole Gold | PRPC040SFAN-RC | Sullins | 1 | https://amzn.to/2JCTQ6j |
| 9 | Jumper 9x1 | CN9 | 9 Positions Header, Breakaway Connector 0.100" (2.54mm) Through Hole Gold | PRPC040SFAN-RC | Sullins | 1 | https://amzn.to/2JCTQ6j |
| 10 | Jumper 3x1 | CN10 | 3 Positions Header, Breakaway Connector 0.100" (2.54mm) Through Hole Gold | PRPC040SFAN-RC | Sullins | 1 | https://amzn.to/2JCTQ6j |
| 11 | 1812L050PR | F1 | PTC RESET FUSE 15V 500MA 1812 | 1812L050PR | Littelfuse | 1 | https://amzn.to/2UH08YK |
| 12 | HEX STANDOFF M3 NYLON 5MM | HS1, HS2, HS3, HS4 | HOLE 3x5mm with reverse screw | CBMFTS205A | Essentra Components | 4 | https://amzn.to/2JCvMjQ |
| 13 | DIP40 SOCKET PIC16F877A | IC1 | CONN IC DIP SOCKET ZIF 40POS GLD | 240-1288-00-0602J | 3M | 1 | https://amzn.to/2XmpflF |
| 14 | RED | LD1 | LED 0805 RED | LHR974-LP-1 | Osram Opto | 1 | https://amzn.to/3aSwMfd |
| 15 | YELLOW | LD2 | LED 0805 YELLOW | LYR976-PS-36 | Osram Opto | 1 | https://amzn.to/2wgvZX1 |
| 16 | 709940300 | PN1, PN2, PN3, PN4 | PLASTIC HEXAGON NUT M3 | 709940300 | Wurth Electronics | 4 | https://amzn.to/39LFxqH |
| 17 | 1K | R3, R4, R5, R6 | 1 kOhms ±1% 0.125W, 1/8W Chip Resistor 0805 (2012 Metric) Automotive AEC-Q200 Thick Film | RC0805FR-071KL | Yageo | 4 | https://amzn.to/3aWfNce |
| 18 | Switch 7 bits | SW1 | Dip Switch SPST 7 Position Through Hole Slide (Standard) Actuator 150mA 30VDC | 78B07T | Grayhill | 1 | https://amzn.to/3dVBdrX |
| 19 | 450301014042 | SW2 | SWITCH SLIDE SPDT 500MA 12V | 450301014042 | Wurth Electronics | 1 | https://amzn.to/2Rd02pL |
| 20 | Tactile Switches | SW3, SW4 | SWITCH TACTILE SPST-NO 0.05A 24V | FSM4JH | TE Connectivity | 2 | https://amzn.to/39JIpnN |
| 21 | PIC16F877A | U1 | 8K FLASH, 368B RAM, 256B EFROM | PIC16F877A-I/P | Microchip | 1 | https://amzn.to/39HBfAE |
| 22 | 20MHz | X1 | CRYSTAL 20.0000MHZ 18PF T/H | HC-49/U-S20000000ABJB | Citizen | 1 | https://amzn.to/2UNeVBv |
| Name | Size | # Downloads |
|---|---|---|
| PIC16F877A Kit_v1.GM15 | 819 B | 627 |
| PIC16F877A Kit_v1.GM2 | 50.72 kB | 646 |