2.7V super capacitor charger with additional 2-channel boost converter
The device is designed to charge 4 on-board 1.5F 2.7V super capacitors from a variety of DC sources like solar panels. Super capacitors management ensure that they are not overcharged by this extracted power.
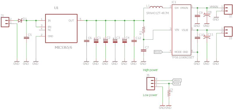
In addition to the charger, the board integrates a highly efficient, nano-power 2-channel boost converter for providing a secondary power rail to systems such as wireless sensor networks. Output voltage from this converter is set at 3.3V.
Ultra Low Power DC-DC Boost Charger
Energy Storage
Energy is stored in four 1.5F 2.7V super capacitors
Mode selection

Vsub is turned ON with a high signal on the middle pin of the mode connector. It can be connected to the High pin for continuous operation. Without any connections Vsub is in OFF state.
Storage

Schematic

Dimensions of the board are 39mm x 25mm x 14mm.
| Name | Size | # Downloads |
|---|---|---|
| minisc.brd | 71.7 kB | 975 |
| minisc.sch | 591.23 kB | 1053 |
| minisc.txt | 4.86 kB | 788 |