IMPORTANT NOTICE: I will abandon this project because of the bad design regarding the RFM69 module and its antenna - I had not so good results because of that and due to space constraints. I'm switching again to nfr24l01(the NRF51822 RF SOC actually) to see if it performs better in this case. If it works as desired then I'll publish the new project on openhardware.io. Thanks for understanding.
Please bear in mind that I'm not responsible if the Livolo manufacturer will change the board hardware revision on which this project relies!!! This project works with this Livolo board hw revision only: VL-C700X-1 Ver: C2 or similar
Description:
This is a Mysensors replica of the Livolo EU Switch(2 channels 1 way) front plate.
Description:
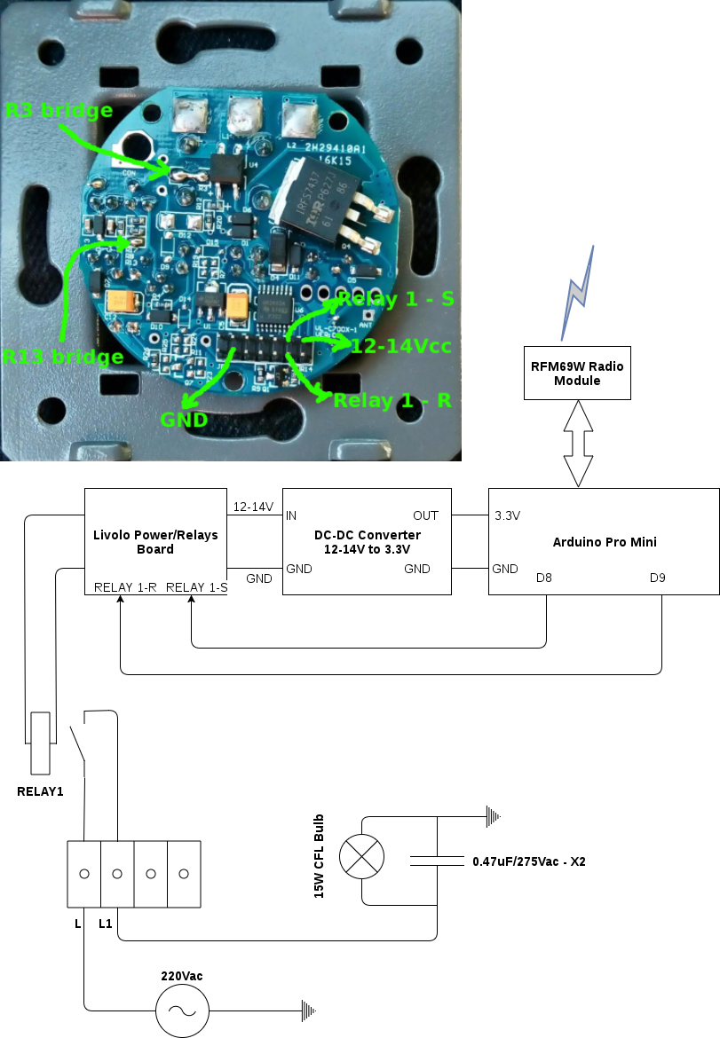
This is a Mysensors replica of the Livolo EU Switch(2 channels 1 way) front plate for the VL-C700X-1 Ver: C2 Livolo hw revision.
Key Features:
Work progress:
Instructions:

HW Revisions:
Credits:
All credits go to MySensors team for the great work and to the opensource community
| Component | Description | Part | References | Value | Footprint | Quantity Per PCB | Datasheet | Rating | Vendor | Part No |
|---|---|---|---|---|---|---|---|---|---|---|
| 1 | Unpolarized capacitor | C_Small | C11 C12 | 0-50pf* | C_0603_HandSoldering | 2 | http://www.farnell.com/datasheets/1825496.pdf | C0G/25V | Multicomp | MCMT18N100F250CT |
| 2 | Unpolarized capacitor | C_Small | C1 C2 C4 | 100n | C_0402 | 3 | http://www.farnell.com/datasheets/1870456.pdf | X5R/25V | Multicomp | MC0402X104K250CT |
| 3 | Unpolarized capacitor | C_Small | C3 C9 C13 C14 C16 | 100n | C_0603_HandSoldering | 5 | http://www.farnell.com/datasheets/1901289.pdf | X7R/25V | Multicomp | MC0603B104K250CT |
| 4 | Unpolarized capacitor | C_Small | C10 | 10u | C_0603_HandSoldering | 1 | http://www.farnell.com/datasheets/2163235.pdf | X5R/25V | Murata | ZRB18AR61E106ME01L |
| 5 | Polarised capacitor | CP1_Small | C5 C15 | 10u | CP_Tantalum_Case-R_EIA-2012-12_Wave | 2 | http://www.farnell.com/datasheets/1955682.pdf | X5R/10V | Murata | GRM188R61A106KE69D |
| 6 | Unpolarized capacitor | C_Small | C7 | 22u | C_0603_HandSoldering | 1 | http://www.farnell.com/datasheets/2047978.pdf | X5R/10V | Murata | GRM188R61A226ME15D |
| 7 | Unpolarized capacitor | C_Small | C6 | 470p | C_0603_HandSoldering | 1 | http://www.farnell.com/datasheets/1870456.pdf | X7R/25V | Multicomp | MC0603B103K250CT |
| 8 | Standard IDC6 Male Connector, ATMEL ISP 6pin | AVR-ISP-6 | CON1 | AVR-ISP-6 | AVR_ISP_SMT_Small_02x03 | 1 | ||||
| 9 | Diode, small symbol | D_Small | D1 | 1N4148 | SOD-123 | 1 | http://www.farnell.com/datasheets/2099776.pdf | 100V/300mA | Diodes Inc. | 1N4148W-7-F |
| 10 | LED, small symbol | LED_Small | D3 D6 | Blue | D_0603 | 2 | http://www.tme.eu/ro/Document/2ff6cd49d353fcb76ded3ea208e0eb10/OSXX0603C1E.pdf | 2.5-3.4V/5mA | Optosupply | OSB50603C1E |
| 11 | LED, small symbol | LED_Small | D4 D5 | Red | D_0603 | 2 | http://www.tme.eu/ro/Document/2ff6cd49d353fcb76ded3ea208e0eb10/OSXX0603C1E.pdf | 1.6-2.4V/5mA | Optosupply | OSR50603C1E |
| 12 | Schottky diode, small symbol | D_Schottky_Small | D2 | SS14M | SS14M | 1 | http://www.farnell.com/datasheets/1692176.pdf | 40V/1A | Taiwan Semiconductor | SS14M |
| 13 | TQFP32, 16k Flash, 1kB SRAM, 512B EEPROM | ATMEGA328P-AU | IC1 | ATMEGA328P-AU | TQFP-32_7x7mm_Pitch0.8mm | 1 | http://www.atmel.com/images/atmel-8271-8-bit-avr-microcontroller-atmega48a-48pa-88a-88pa-168a-168pa-328-328p_datasheet.pdf | |||
| 14 | Inductor, small symbol | L_Small | L2 | 15uH | VLCF4020T-150MR68 | 1 | http://www.farnell.com/datasheets/2041203.pdf | 1A | TDK | VLCF4020T-150MR68 |
| 15 | Inductor, small symbol | L_Small | L1 | BLM18HE152SN1D | R_0603 | 1 | http://www.murata.com/en-us/products/productdata/8796741599262/ENFA0004.pdf | |||
| 17 | Connector, double row, 02x06, pin header | CONN_02X06 | P4 | Power Board | Pin_Header_Straight_2x06_Pitch2.54mm | 1 | http://www.tme.eu/ro/Document/dd1ceac14413aeeec818bc9967f247e1/zl262-dg.pdf | Ninigi | ZL262-12DG | |
| 20 | Resistor, small symbol | R_Small | R2 R3 | 10K | R_0603_HandSoldering | 2 | http://www.farnell.com/datasheets/2007183.pdf | 50V/200mW | TE Connectivity | CRGH0603J10K |
| 21 | Resistor, small symbol | R_Small | R10 | 1K | R_0603_HandSoldering | 1 | http://www.farnell.com/datasheets/1849611.pdf | 50V/100mW | Multicomp | MCWR06X5602FTL |
| 22 | Resistor, small symbol | R_Small | R5 R6 R7 R8 | 1K* | R_0603_HandSoldering | 4 | http://www.farnell.com/datasheets/1849611.pdf | 50V/100mW 50V/200mW | Multicomp | MCWR06X1001FTL |
| 23 | Resistor, small symbol | R_Small | R1 | 31K6 | R_0603_HandSoldering | 1 | http://www.farnell.com/datasheets/1849611.pdf | 50V/200mW | Multicomp | MCWR06X3162FTL |
| 24 | Resistor, small symbol | R_Small | R4 R9 | 56K | R_0603_HandSoldering | 2 | http://www.farnell.com/datasheets/2007183.pdf | 50V/200mW 50V/100mW | TE Connectivity Multicomp | CRGH0603J10K MCWR06X5602FTL |
| 25 | AT25DF512C, 512-Kbit SPI Serial Flash Memory, SOIC-8, Vcc=3.3V | AT25DF512C | U6 | AT25DF512C-SSHN-B | SOIC-8_3.9x4.9mm_Pitch1.27mm | 1 | http://www.adestotech.com/wp-content/uploads/DS-AT25DF512C-030.pdf | |||
| 26 | ATSHA204A, Secure Authentication and Validation Device, SOT-23, Vcc=3.3V | ATSHA204A | U7 | ATSHA204A | SOT-23_Handsoldering | 1 | http://www.atmel.com/Images/Atmel-8885-CryptoAuth-ATSHA204A-Datasheet.pdf | |||
| 27 | 4.0 to 30V Input, 1A output, integrated switch step-down regulator, SOT-23-6 package | MCP16301 | U2 | MCP16301 | SOT-23-6 | 1 | http://www.farnell.com/datasheets/2129968.pdf | 4-30V/3.3V/600mA | Microchip | MCP16301T-I/CHY |
| 28 | MIC5205-3.3YM5TR | U1 | MIC5205-3.3 | SOT-23-5 | 1 | http://www.farnell.com/datasheets/29605.pdf | 3.3V/150mA | Microchip | MIC5205-3.3YM5-TR | |
| 29 | RFM69CW | U5 | RFM69CW | RFM69CW | 1 | http://www.hoperf.com/upload/rf/RFM69CW-V1.1.pdf | 3.3V/868MHz | HopeRF | RFM69CW | |
| 30 | TTP223 | U3 U4 | TTP223 | SOT-23-6 | 2 | http://www.coldtears-electronics.com/images/TTP223.pdf | Tontek | |||
| Component Groups: | 30 | |||||||||
| Component Count: | 43 | |||||||||
| Fitted Components: | 43 | |||||||||
| Number of PCBs: | 1 | |||||||||
| Total components: | 43 | |||||||||
| Schematic Version: | 0.5 | |||||||||
| Schematic Date: | ||||||||||
| BoM Date: | Mon 13 Mar 2017 05:45:51 PM EET | |||||||||
| Schematic Source: | /home/mtiutiu/Work/kicad/mysensors/node/livolo_EU_switch/livolo_2_ways_eu_switch.sch | |||||||||
| KiCad Version: | Eeschema no-vcs-found-5e5259b~58~ubuntu16.04.1 |
| Name | Size | # Downloads |
|---|---|---|
| livolo_2_channels_1way_eu_switch-B.Cu.gbl | 9.66 kB | 608 |
| livolo_2_channels_1way_eu_switch-B.Mask.gbs | 1.38 kB | 629 |
| livolo_2_channels_1way_eu_switch-B.Paste.gbp | 804 B | 595 |
| livolo_2_channels_1way_eu_switch-B.SilkS.gbo | 80.09 kB | 681 |
| livolo_2_channels_1way_eu_switch-Edge.Cuts.gm1 | 1.51 kB | 633 |
| livolo_2_channels_1way_eu_switch-F.Cu.gtl | 128.88 kB | 718 |
| livolo_2_channels_1way_eu_switch-F.Mask.gts | 5.41 kB | 635 |
| livolo_2_channels_1way_eu_switch-F.Paste.gtp | 4.82 kB | 1948 |
| livolo_2_channels_1way_eu_switch-F.SilkS.gto | 110.36 kB | 659 |
| livolo_2_channels_1way_eu_switch-NPTH.drl | 243 B | 659 |
| livolo_2_channels_1way_eu_switch-PTH.drl | 1.35 kB | 612 |
| livolo_2_channels_1way_eu_switch.pdf | 88 kB | 616 |
| livolo_2_channels_1way_eu_switch.net | 36.27 kB | 639 |
| livolo_2_channels_1way_eu_switch.kicad_pcb | 235.15 kB | 747 |
| livolo_2_channels_1way_eu_switch.sch | 40.35 kB | 744 |
| Name | Size | # Downloads |
|---|---|---|
| main.cpp | 14.66 kB | 698 |